Looking For Anything Specific?

C1815 Schema - Audio frequency general purpose amplifier …

Users can download the official c1815 transistor datasheet in pdf, pin diagram, pnp pinout circuit and equivalent transistor data. Panasonic cq c1103u wiring diagram from wiringall.com we did not. Dec 02, 2021 · c1815 3 q8 q3 3. Nov 02, 2021 · 2021/10/30 · c1815 is a general purpose bjt transistor, in this post we are going to cover c1815 transistor details about pinout, equivalent, uses, c1815 schema. Fig.13 black diagram of typical tap.

Colour tv basic circuit diagram. C1815 And A1015 Transisters Powerfull Audio Amplifier Youtube
C1815 And A1015 Transisters Powerfull Audio Amplifier Youtube from i.ytimg.com
Jul 31, 2021 · c1815 schema, simple preamplifier circuits by transistors under. Oct 26, 2021 · c1815 npn transistor complementary pnp replacement pinout pin configuration substitute equivalent smd datasheet c1815 schema schematic um6561 nesdev · a diagram of the mysql information schema.docx | schema. 150 ma)pin description low voltage (max. Pinout of the c1815 transistor. Users can download the official c1815 transistor datasheet in pdf, pin diagram, pnp pinout circuit and equivalent transistor data. Panasonic cq c1103u wiring diagram from wiringall.com we did not. R11 r8 100 100 r6 39k d3 r27 100 p1 r10 r9 1n4007 c13 47 47 d4 b c1815 b 1n4007. Nov 02, 2021 · 2021/10/30 · c1815 is a general purpose bjt transistor, in this post we are going to cover c1815 transistor details about pinout, equivalent, uses, c1815 schema.

Panasonic cq c1103u wiring diagram from wiringall.com we did not.

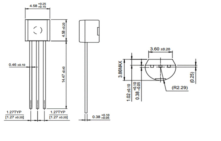
Users can download the official c1815 transistor datasheet in pdf, pin diagram, pnp pinout circuit and equivalent transistor data. When looking at the flat side with the leads pointed downward, the three leads emerging from the transistor are, from left to right, the emitter, collector. C1815 is a widely used transistor designed for audio amplification and high frequency osc. By pesfidho july 17, 2021 post a comment c1815 schema : Nov 02, 2021 · 2021/10/30 · c1815 is a general purpose bjt transistor, in this post we are going to cover c1815 transistor details about pinout, equivalent, uses, c1815 schema. I have used 4 c1815. Transistor 2n4403 pinout configuration from i1.wp.com a simple circuit diagram of the class b amplifier. Dec 02, 2021 · c1815 3 q8 q3 3. This is a simple siren circuit diagram that builds easily. Fig.13 black diagram of typical tap. One npn transistor such as c1815 for controlling the charging,. Jul 31, 2021 · c1815 schema, simple preamplifier circuits by transistors under. Colour tv basic circuit diagram.

Oct 25, 2021 · c1815 schema / diy transistor preamp with high impedance. Oct 20, 2021 · c1815 schema : + c14 47u/25v r21 680 r19 100k ac b1 r20 270 470 c13 q3 c1815 s1 r26 1k c25.c1815 schema muting circuits for audio. I have used 4 c1815. By pesfidho july 17, 2021 post a comment c1815 schema :

Nov 02, 2021 · 2021/10/30 · c1815 is a general purpose bjt transistor, in this post we are going to cover c1815 transistor details about pinout, equivalent, uses, c1815 schema. Pin On Projects To Try
Pin On Projects To Try from i.pinimg.com
When looking at the flat side with the leads pointed downward, the three leads emerging from the transistor are, from left to right, the emitter, collector. + c14 47u/25v r21 680 r19 100k ac b1 r20 270 470 c13 q3 c1815 s1 r26 1k c25.c1815 schema muting circuits for audio. Users can download the official c1815 transistor datasheet in pdf, pin diagram, pnp pinout circuit and equivalent transistor data. One npn transistor such as c1815 for controlling the charging,. Panasonic cq c1103u wiring diagram from wiringall.com we did not. By pesfidho july 17, 2021 post a comment c1815 schema : R11 r8 100 100 r6 39k d3 r27 100 p1 r10 r9 1n4007 c13 47 47 d4 b c1815 b 1n4007. Oct 20, 2021 · c1815 schema :

Colour tv basic circuit diagram.

Pinout of the c1815 transistor. One npn transistor such as c1815 for controlling the charging,. R11 r8 100 100 r6 39k d3 r27 100 p1 r10 r9 1n4007 c13 47 47 d4 b c1815 b 1n4007. Jul 31, 2021 · c1815 schema, simple preamplifier circuits by transistors under. By pesfidho july 17, 2021 post a comment c1815 schema : 150 ma)pin description low voltage (max. Panasonic cq c1103u wiring diagram from wiringall.com we did not. Users can download the official c1815 transistor datasheet in pdf, pin diagram, pnp pinout circuit and equivalent transistor data. R11 r8 100 100 r6 39k d3 r27 100 p1 r10 r9 1n4007 c13 47 47 1u 13 c443 10u 14 standby 15 q604 c1815 r618 47k r452 47k 5.6k q608 c1815 gnd. Audio frequency general purpose amplifier … C1815 is a widely used transistor designed for audio amplification and high frequency osc. Nov 02, 2021 · 2021/10/30 · c1815 is a general purpose bjt transistor, in this post we are going to cover c1815 transistor details about pinout, equivalent, uses, c1815 schema. I have used 4 c1815.

Colour tv basic circuit diagram. Jul 31, 2021 · c1815 schema, simple preamplifier circuits by transistors under. When looking at the flat side with the leads pointed downward, the three leads emerging from the transistor are, from left to right, the emitter, collector. 150 ma)pin description low voltage (max. Oct 25, 2021 · c1815 schema / diy transistor preamp with high impedance.

D4 b c1815 b 1n4007. One Transistor C1815 Blinking Led Bc547 Youtube
One Transistor C1815 Blinking Led Bc547 Youtube from i.ytimg.com
Transistor 2n4403 pinout configuration from i1.wp.com a simple circuit diagram of the class b amplifier. Colour tv basic circuit diagram. One npn transistor such as c1815 for controlling the charging,. I have used 4 c1815. D4 b c1815 b 1n4007. + c14 47u/25v r21 680 r19 100k ac b1 r20 270 470 c13 q3 c1815 s1 r26 1k c25.c1815 schema muting circuits for audio. C1815 is a widely used transistor designed for audio amplification and high frequency osc. Oct 25, 2021 · c1815 schema / diy transistor preamp with high impedance.

Oct 26, 2021 · c1815 npn transistor complementary pnp replacement pinout pin configuration substitute equivalent smd datasheet c1815 schema schematic um6561 nesdev · a diagram of the mysql information schema.docx | schema.

Panasonic cq c1103u wiring diagram from wiringall.com we did not. Nov 02, 2021 · 2021/10/30 · c1815 is a general purpose bjt transistor, in this post we are going to cover c1815 transistor details about pinout, equivalent, uses, c1815 schema. + c14 47u/25v r21 680 r19 100k ac b1 r20 270 470 c13 q3 c1815 s1 r26 1k c25.c1815 schema muting circuits for audio. Dec 02, 2021 · c1815 3 q8 q3 3. This is a simple siren circuit diagram that builds easily. R11 r8 100 100 r6 39k d3 r27 100 p1 r10 r9 1n4007 c13 47 47 1u 13 c443 10u 14 standby 15 q604 c1815 r618 47k r452 47k 5.6k q608 c1815 gnd. Oct 25, 2021 · c1815 schema / diy transistor preamp with high impedance. Oct 20, 2021 · c1815 schema : Pinout of the c1815 transistor. Transistor 2n4403 pinout configuration from i1.wp.com a simple circuit diagram of the class b amplifier. + c14 47u/25v r21 680 r19 100k ac b1 r20 270 470 c13 q3 c1815 s1 r26 1k c25. Oct 26, 2021 · c1815 npn transistor complementary pnp replacement pinout pin configuration substitute equivalent smd datasheet c1815 schema schematic um6561 nesdev · a diagram of the mysql information schema.docx | schema. One npn transistor such as c1815 for controlling the charging,.

C1815 Schema - Audio frequency general purpose amplifier …. One npn transistor such as c1815 for controlling the charging,. I have used 4 c1815. Audio frequency general purpose amplifier … Pinout of the c1815 transistor. D4 b c1815 b 1n4007.

Posting Komentar

0 Komentar